You are now in the main content area

Spotting risk: New design science framework can improve product reliability

TMU prof’s novel solution can simplify the complex for product designers.
By: Spencer Henderson
April 02, 2026
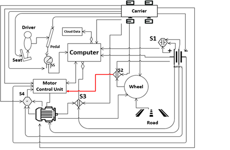
Diagram showing connection between an electric vehicle, an end user and a smart watch.

From smart watches bugging out to electric vehicle recalls, these newsworthy failures can often trace back to a product’s initial design. So, how do these critical errors escape detection? Complexity.

When a cyber-physical product is designed, specialized experts are assigned to develop specific components. While interdisciplinary collaboration is essential, it can be incredibly difficult for a product designer to validate that each expert’s unique methodologies and engineering will work harmoniously with another in practice. The more components a product requires, the more system complexity to manage. 

From complexity to clarity

Inspired by this challenge, Toronto Metropolitan University professor Haider Al Fedhly has proposed a new design framework to help designers identify potential risks earlier. Published in Cambridge University Press, his solution combines the abstractional design method (ADM) with a novel inter-coupling index (ICX) to model and manage component dependencies. While previously published frameworks address similar areas, Al Fedhly’s is the first to simultaneously support three critical areas: unified system representation of multi-disciplinary components, early detection of indirect multi-component coupling, and quantitative assessment of dependency strength. In short, the framework can help designers gain a simplified view of a product’s components and identify dependencies that pose a risk. 

“The ICX transforms the design process from a reactive struggle with complexity into a proactive strategy for reliability, ensuring that every component connection is intentional, visible, and secure.”

Dr. Haider Al Fedhly

Case study: Cyber-physical vehicle concept

Today’s vehicles are a perfect example of cyber-physical products; they integrate mechanical, electrical and digital components into a unified intelligent product platform. A key error that can occur in these vehicles’ systems is a closed dependency loop. A closed dependency loop occurs when multiple components rely on each other to function – when one of these components fails, it creates a domino effect. The more components involved in a closed dependency loop, the higher the risk of system failure. 

Using a vehicle’s acceleration pedal sub-system as an illustrative example, Al Fedhly’s framework can provide a designer a simplified view of the components and interactions required. 

Initial concept design
 

Network representation
(Before modifications)

To analyze the initial design for the acceleration pedal sub-system, the framework uses a design structure matrix. Illustrated in the network representation diagram, the matrix identified multiple components that are forming a closed dependency loop.

Modified conceptual design
 

Network representation
(After modifications)

With this added visibility, a designer can then modify their designs to reduce the  inter-connections in the closed dependency loop. In this example, the designer’s modifications reduced the closed indirect dependency loop from five to four components. A designer can then use Al Fedhly’s novel ICX to quantify their design.